Подбор муфты втулочно-пальцевой
Подбор по крутящему моменту втулочно пальцевой муфты с выводом габаритных и присоединительных размеров
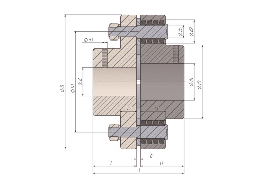
Чертеж

Почему важно правильно подбирать втулочно-пальцевую муфту?
Правильный выбор втулочно-пальцевой муфты напрямую влияет на долговечность и эффективность работы механизма. Несоответствие муфты нагрузкам приводит к быстрому износу резиновых втулок, вибрациям, перегреву и даже разрушению соединения.
Ошибки в подборе приводят к частым заменам втулок, повышенному износу подшипников и нестабильной работе оборудования.
Правильно выбранная муфта снижает затраты на обслуживание и повышает надежность всей системы.